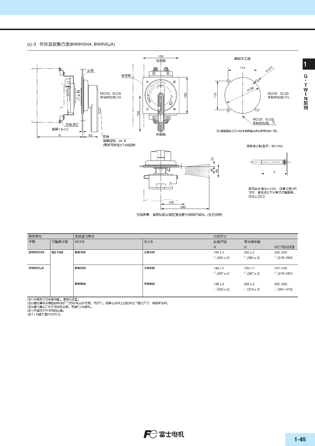
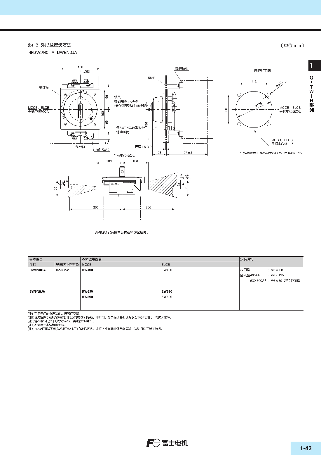
富士断路器BW160SAGC-3P 125/150/160A 3极 通用型 富士空气开关 富士中国工厂 Fuji breaker
价格含税
市场价: ¥1,298.00
价格: ¥830.00商品优惠:
满¥200.00元包邮
品牌: 富士Fuji标签(TAG): 断路器 塑壳 塑壳断路器 富士塑壳断路器 富士断路器 FUJI BW
销售情况: 已卖出965件 51人评论
所在地区: 天津 天津市 南开区
支付方式:
支付宝|网上银行
店内搜索
商品分类
浏览历史














