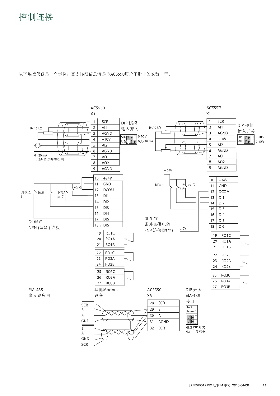
ABB变频器ACS550-01-03A3-4 矢量型 1.1KW AC 380V 三相 含中文面板
价格含税
市场价: ¥3,060.00
价格: ¥2,280.00商品优惠:
满¥200.00元包邮
品牌: 富士Fuji标签(TAG): 变频器 ABB变频器 ACS510 风机水泵型变频器
销售情况: 已卖出965件 51人评论
所在地区: 天津 天津市 南开区
支付方式:
支付宝|网上银行
店内搜索
商品分类













>










